第 一道合金清掃器(YQ-DTEH)
所屬分類:合金清掃器
產品簡介:用途:安裝前的重要提示1. 安裝之前,必須熟知工作中所用相關設備的安全···
配套服務:支持定制 物流配送 免費安裝 使用培訓
安裝前的重要提示
1. 安裝之前,必須熟知工作中所用相關設備的安全操作規程以及施工現場的安全生產規范。
2. 切斷輸送機的啟動電源,掛上“有人操作,禁止合閘”的警示牌。
3. 如果設備在井下或密閉的區域內,動用割槍或電焊之前,必須對煤氣和灰塵含量進行檢測。確認煤氣和灰塵含量在安全值范圍內方可操作,否則,可能發生事故。
4. 使用割槍或電焊對皮帶輸送機架開孔前,應使用阻燃罩將輸送機皮帶罩住,否則將有可能損壞皮帶。
5. 安裝工作完畢,在啟動輸送機皮帶之前,應將安裝區域內和輸送機皮帶上的工具、鐵器、焊渣等收拾干凈。否則將有可能造成嚴重的人身傷害,或者導致輸送機皮帶的損壞。
6. 在輸送機運行狀態下,如果要調整清掃器的張緊力,操作時千萬要小心謹慎,防止手中的工具、身體或衣服被卷入輸送帶,導致嚴重的人身傷亡。對于維護的操作,請在停機狀態下進行,切記!
產品說明
輸送帶輸送的物料往往帶有粘性物質,如煤塵、泥漿、粉狀物料,其中一部分會粘在輸送帶工作面上,在卸料時不能完全卸掉,隨著皮帶運轉會粘在托輥上,長時間會造成以下后果:
1. 物料進入托輥的殼體內,從而增大軸承磨損,托輥殼體粘上物料會損傷和拉毛輸送帶的面膠,加速輸送帶損壞。
2. 粘著物進入尾輪和改向滾筒,物料會粘在滾筒表面上,且越粘越多,造成輸送帶跑偏,增加輸送帶磨損,釀成不良后果。
3. 物料粘在驅動滾筒上,加大對滾筒的摩擦力,會引起輸送帶面膠和滾筒包膠層的損壞。
4. 物料沒有及時清除,在整個工作通道內會形成落料區,造成環境污染,清掃勞動量增加,影響員工身心健康,增加企業成本。
因此,為保證帶式輸送機正常運轉,必須將輸送帶上的附著物清掃干凈。如果清掃裝置良好,對托輥、輸送帶等的壽命都可以延長。由此可見,清掃器在帶式輸送機上有著不可忽視的作用。
DTEH合金清掃器為頭道清掃器,安裝在帶式輸送機頭部滾筒,利用橡膠彈性塊的彈性性能,可自動調節清掃器刮刀與輸送帶之間的接觸壓力,橡膠彈性塊的緩沖作用,保證了刮刀與運行皮帶受力在合適的范圍之內,使得清料干凈又不損壞皮帶。該產品采用了高耐磨特種硬質合金刮刀,加上較好的綜合機構性能,延長了產品的使用壽命;結構緊湊,配制合理,使得產品輕便、美觀、易于操作;備件的互換性及可調性,便于安裝調試、更換維修。
規格編號說明

結構示意圖

表一(mm)
帶寬 | B | L | D | L1 | L2 | α | 帶寬 | B | L | D | L1 | L2 | α | |
500 | 400 | 1400 | 500 | 410 | 90 | 30o | 1200 | 1200 | 2200 | 1400 | 566 | 612 | 15o | |
650 | 600 | 1600 | 500 | 410 | 90 | 1600 | 592 | 709 | ||||||
630 | 434 | 164 | 1400 | 1400 | 2400 | 800 | 490 | 323 | 15o | |||||
800 | 800 | 1800 | 500 | 410 | 90 | 1000 | 515 | 418 | ||||||
630 | 434 | 164 | 1250 | 548 | 540 | |||||||||
800 | 490 | 323 | 15o | 1400 | 566 | 612 | ||||||||
1000 | 515 | 418 | 1600 | 592 | 709 | |||||||||
1250 | 548 | 540 | 1600 | 1600 | 2600 | 1000 | 515 | 418 | 15o | |||||
1400 | 566 | 612 | 1250 | 548 | 540 | |||||||||
1600 | 592 | 709 | 1400 | 566 | 612 | |||||||||
1000 | 1000 | 2000 | 630 | 434 | 164 | 30o | 1600 | 592 | 709 | |||||
800 | 490 | 323 | 15o | 1800 | 1800 | 2800 | 1000 | 515 | 418 | 15o | ||||
1000 | 515 | 418 | 1250 | 548 | 540 | |||||||||
1250 | 548 | 540 | 1400 | 566 | 612 | |||||||||
1400 | 566 | 612 | 1600 | 592 | 709 | |||||||||
1600 | 592 | 709 | 2000 | 2000 | 3000 | 1000 | 515 | 418 | 15o | |||||
1200 | 1200 | 2200 | 630 | 434 | 164 | 30o | 1250 | 548 | 540 | |||||
800 | 490 | 323 | 15o | 1400 | 566 | 612 | ||||||||
1000 | 515 | 418 | 1600 | 592 | 709 | |||||||||
1250 | 548 | 540 |
安裝步驟
1. 按照發貨清單,開箱檢查,箱內應有主機架(裝有刀片),左右安裝支架、軸座及相應安裝緊固螺絲等配置。
2. 請仔細閱讀安裝操作說明書,了解DTEH清掃器的組成結構。
3. 安裝前先檢查皮帶是否有破損和加固金屬,如破損面超過100mm2、鐵釘、鐵扣接頭都不能安裝此清掃器。
4. 將驅動滾筒表面的附著物清理干凈,使清掃刀片能夠平穩工作。
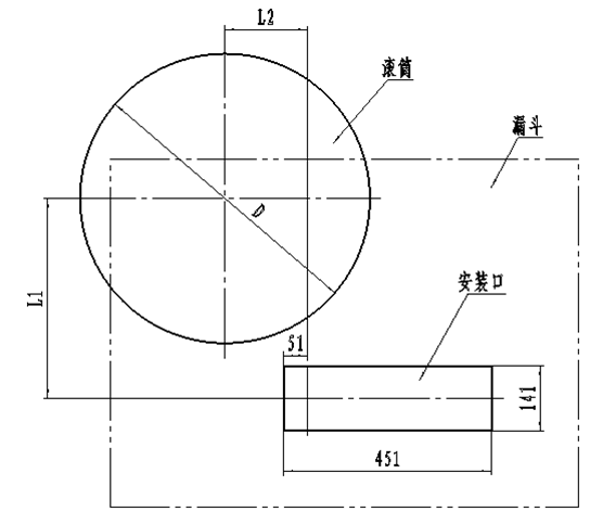
5. 確認滾筒直徑,參照下圖尺寸開安裝口。

表二(mm)
滾筒直徑D | 500 | 630 | 800 | 1000 | 1250 | 1400 | 1600 |
L1 | 410 | 434 | 490 | 515 | 548 | 566 | 592 |
L2 | 90 | 164 | 323 | 418 | 540 | 612 | 709 |
6. 安裝口開好后參考L1、L2尺寸把調整架焊接在頭部機架橫梁上,保證軸座在調整架上有上下調整的余地。
7. 把清掃器裝在調整架上,讓清掃刮刀輕微接觸皮帶表面,然后把緊固螺栓輕輕擰緊。
8. 通過調整螺栓把清掃刮刀調到與滾筒軸線成平行,夾角參考表一。然后用Φ10mm鋼棍兩根串入軸桿兩端加壓孔內,把清掃刮刀與皮帶的接觸力加到100至150N,然后把所有螺栓鎖緊。
注:清掃刮刀與皮帶面接觸要平均,不得一頭接觸一頭有間隙,工作壓力要適當,不能過大或過小,過大磨損大,影響皮帶和彈性體的使用壽命,過小清掃效果不好。
維護保養
1. 清掃下來的粘附物堆積在清掃刮刀和彈性體上會影響清掃效果及使用壽命,應及時清理掉。
2. 彈性體時間過長會老化、開膠、彈性減退,各緊固螺栓時間長了會松動脫落,要及時檢查更換,防止損壞清掃器、劃傷皮帶。
3. 更換備件時刮刀、彈性體要平整,不準許靠給壓調平,否則會影響清掃效果。
4. 每月檢查一至兩次清掃刮刀的工作壓力,及時調壓。















微信掃一掃加好友
截屏,微信識別二維碼關注公眾號
微信號:19932387533
(點擊微信號復制,添加好友溝通)